页眉小字
设为首页 | 收藏本站
最新更新

饲料添加剂——磷酸氢钙的全面介绍与应用指南

 二维码 569
发表时间:2026-02-26 10:28来源:时代之声

 磷酸氢钙的概念及应用

  磷酸氢钙,亦被称为磷酸二钙或沉淀磷酸钙,存在无水和二水两种形态。这两种形态在化学结构、溶解性、应用领域及稳定性上各有差异,从而决定了它们在不同场合下的应用特性及优势。

  磷酸氢钙呈现为白色单斜晶系结晶性粉末,无独特气味。其化学式为CaHPO2H2O,在空气中性质稳定,但在加热至75℃时会逐渐失去结晶水,转变为无水物,高温环境下则可能进一步转化为焦磷酸盐。此外,它还易溶于稀盐酸、稀硝酸及醋酸,而微溶于水。

  在检测磷酸氢钙的水分含量时,需确保温度控制在75℃以下,以避免结晶水的损失影响检测结果。(国家标准中,通常采用丙酮洗涤后,于50±2℃下干燥2小时的方法进行检测。)

  作为饲料添加剂,磷酸氢钙(简称DCP)被广泛应用于畜禽养殖中,主要用于补充畜禽所需的钙和磷矿物质营养。它在我国畜禽养殖领域占据重要地位,常作为“钙+磷”类添加剂使用,添加量一般为饲料总量的1%-3%。DCP不仅易于消化吸收,能促进畜禽生长、缩短育肥期,还能提高配种率和成活率,并有助于增强畜禽对软骨症、白痢症和瘫疾症等疾病的抵抗力。

  磷酸氢钙的生产工艺

  饲料级磷酸氢钙的生产工艺主要分为热法磷酸法和湿法磷酸法。热法磷酸法流程简洁、产品质量稳定,但能耗较高、成本相对较大,多用于生产牙膏、食品、医药及电子级磷酸盐产品。

  目前,国内饲料级磷酸氢钙的生产主要采用湿法磷酸法,这是通过硫酸或盐酸分解磷矿石,经过渣液分离,获得低浓度的萃取磷酸。随后,通过脱氟工艺,利用石灰乳进行中和沉淀,得到磷酸氢钙。经过除杂、烘干和粉碎处理后,即可得到成品。此外,还存在利用植物生产蛋白饲料或肌醇时副产的磷酸氢钙,以及骨质磷酸氢钙等。但这些产品由于稳定性和安全性问题,在实际应用中受到一定限制。

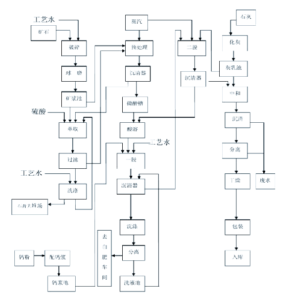
  硫酸法生产饲料级磷酸氢钙的工艺流程如下

  首先,将硫酸或盐酸与磷矿石进行反应,通过分解磷矿石来获取低浓度的萃取磷酸。接着,利用石灰乳进行中和沉淀,以脱除氟化物,从而得到磷酸氢钙。随后,经过除杂、烘干和粉碎等工序,最终得到符合标准的饲料级磷酸氢钙。

  (1)磨矿及浮选脱镁:经过鄂式破碎机粉碎的磷矿石进入球磨机,同时加水进行磨细。磨细后的磷矿流出,进入矿浆中转槽。随后,矿浆通过泵送入脱镁浮选槽,加入浮选剂进行脱镁处理。脱镁后的矿浆再送入萃取槽。

  (2)磷酸萃取、过滤:将硫酸从贮槽中引出,与矿浆、洗水一同加入萃取槽。在二水硫酸钙结晶的条件下,进行萃取反应,生成磷酸与磷石膏的混合料浆。此料浆经过盘式真空过滤机过滤,得到滤液与磷矿浆预反应,以脱除滤液中的游离硫酸和矿浆中的碳酸盐。经过沉清后,沉清液即为磷酸,而稠浆则返回萃取槽。同时,盘式过滤机滤出的滤饼即为磷石膏,经过中和后运至渣场堆存。

  (3)一次脱氟:湿法磷酸送入返浆溶解槽,在30~50℃的操作温度下,使返浆在磷酸作用下溶解。溶解后的磷酸物料溢流进入一次脱氟槽,同时加入碳酸钙料浆进行脱氟处理。脱氟后的料浆由泵送至白肥离心机进行过滤,固体部分送入白肥干燥系统,而滤液则流入一次脱氟滤液中转池,经过沉清后送入二次脱氟工序。

  (4)二次脱氟:来自一次清液中转池的磷酸送入二次脱氟槽,加入石灰乳进行二次脱氟,并调节PH值。脱氟后的料浆由泵送至二次脱氟沉清器进行沉清处理。沉清的稠浆放入二次稠浆池,再由泵送入返浆溶解槽循环使用。清液则流入二次沉清池,经过沉清后的稠浆和清液分别进行处理。

  (5)中和:来自二次脱氟工序的精磷酸送入精磷酸贮槽,然后溢流进入中和槽。在中和槽内加入石灰乳进行中和反应。中和后的料浆由泵送入离心机进行过滤,固体部分为半成品饲料级磷酸氢钙,送至干燥工序;滤液则流入母液中转槽进行处理。

  (6)干燥:半成品饲料级磷酸氢钙经皮带输送机送入给料斗,由螺旋加料器送入气流干燥器进行干燥处理。干燥后的产品经过一级旋风分离器和二级旋风分离器进行分离,最终得到饲料级磷酸氢钙产品。

  饲料级磷酸氢钙的质量控制

  在磷酸氢钙的生产过程中,质量控制是一个至关重要的环节。通过一系列的工艺流程,我们确保最终产品的质量符合饲料级标准。这包括对原料的严格筛选,对生产过程的精准控制,以及对成品的细致检验。通过这些措施,我们致力于提供高品质的饲料级磷酸氢钙,以满足客户的需求。

  本标准适用于通过湿法磷酸工艺,按照特定钙磷比生产出的饲料添加剂磷酸氢钙。该产品根据生产工艺的不同,可分为Ⅰ型、Ⅱ型和Ⅲ型三种。值得注意的是,磷酸氢钙Ⅱ型和Ⅲ型实际上是磷酸氢钙与磷酸二氢钙的混合物,因此标准中特别规定了这两种型号的水溶磷指标。相比之下,普通的磷酸氢钙则不含水溶磷。

  在鉴别磷酸氢钙时,我们可以采用以下方法:

  首先,通过感官鉴别,观察其色泽、气味、细度和流动性。优质磷酸氢钙通常呈现白色或略带微黄色,且色泽均匀。它应该无异味,特别是硫酸法生产的磷酸氢钙不应有刺鼻的氯离子味道。此外,我们还需注意其细度,按照国家标准,粉状产品应能通过5mm实验筛95%以上,粒状产品则应达到2mm实验筛90%以上。同时,流动性好的磷酸氢钙也表明其质量上乘,无掺假可能。

  另外,理化鉴定也是不可或缺的一环。我们可以取少量试样进行钙离子和磷酸根的鉴别。对于钙离子,试样加入冰乙酸溶解并煮沸后,产生的白色沉淀在盐酸溶液中能够溶解,从而证明其存在。而对于磷酸根,试样溶于水中后,加入硝酸银溶液会生成黄色沉淀,该沉淀溶于过量氨水溶液而不溶于冰乙酸,进一步确认了磷酸根的存在。

  在饲料级磷酸盐的质量标准中,磷的含量是一个至关重要的理化指标。然而,为了满足磷的要求,市场上也出现了掺杂造假的问题。因此,我们还需要掌握一些常见的造假及鉴定方法,以便更好地辨别和选择优质的饲料级磷酸氢钙。

  磷酸钙(磷酸三钙)

  含钙量高达26%-32%,加入稀盐酸后,少部分样品溶解,溶液呈淡黄色。用中性柠檬酸铵溶液研磨萃取样品中的枸溶磷含量,若低于14%以下,而总磷又达17%以上,则可证明其中混入了磷酸三钙。

  滑石粉

  加入稀盐酸后样品不溶解,并有半透明薄膜浮于表面。

  磷酸盐掺骨粉

  在磷酸钾盐、钠盐、铵盐、钙盐中掺入骨粉的目的是降低其含氟量。掺假后的产品色泽偏灰暗或偏黄褐色,若掺入骨粉50%以上则会有骨粉气味。加入过量稀盐酸后,会发生剧烈反应并产生大量混浊的泡沫;反应结束后,溶液浑黄,底层有不溶物。此外,还可以用检测粗蛋白的方法来验证是否掺入了骨粉。

  关于钙、总磷和枸溶性磷:

  磷有三种形态,其溶解性不同。水溶性磷可直接溶解到水中被吸收;枸溶性磷不能直接溶解到水中,但可溶解到弱酸中,溶解后才能被吸收;难溶磷则不能被溶解和吸收。在磷酸氢钙中,枸溶磷是关键指标,它指的是能被中性柠檬酸铵溶液提取的磷。枸溶磷占总磷的百分比越高,说明该磷酸氢钙的质量越好。

  然而,在实际检测中可能会遇到以下几种情况:

  (1)磷高钙低

  有些磷酸氢钙的钙含量较低,而总磷和枸溶磷却较高。这可能是因为磷矿石中含有较高含量的镁、铝、铁等杂质,生产过程中未完全去除,导致这些杂质以磷酸镁(铝)的形式混杂在磷酸氢钙中,从而降低了钙的含量。此类磷酸氢钙属于质量偏差的产品。

  (2)磷低钙高

  与上述情况相反,有时也会遇到磷含量较低而钙含量较高的磷酸氢钙。这可能是由于生产过程中的某些工艺环节导致的。不过,通常来说,钙和磷的比例在一定程度上反映了产品的质量。

  有些磷酸氢钙的钙含量超过24%,甚至高达28%,同时总磷维持在5%左右,枸溶磷约为15%。按照标准,这类样品是合格的,但实际上,这类磷酸氢钙属于质量较差的产品。部分饲料企业因此将钙含量限制在20-24%的范围内。

  造成钙含量过高的原因在于产品中硫酸钙(CaSO4)的含量偏高。在正常磷酸氢钙中,硫酸钙的含量应低于3%,而这类产品中CaSO4的含量可能达到4~10%。生产过程中,厂家可能会提升烘干温度,导致磷酸氢钙中的结晶水损失,从而使得磷含量合格,但过高的硫酸钙含量会影响动物对磷的吸收。因此,对于钙含量超过23%的样品,应进一步测定其CaSO4的含量。

  另外,有时也会出现磷、钙比例及含量正常,但枸溶磷低于标准的情况。这主要是由于产品中含Ca3(PO4)2较高所造成的,这会不利于动物对钙、磷的吸收。

  此外,产品的游离水分也是一个重要的指标。虽然标准中未明确规定,但在实际验收时,可以通过感观或使用丙酮(无丙酮时可用75℃、4小时作为参考)来检测。同时,卫生指标如颜色、钙、磷等也是需要关注的重要方面。对于颜色、钙、磷指标异常的产品,建议进行自检或外检,以确保产品质量和安全。选择国内大型知名企业的产品,可以在很大程度上避免安全问题。


website qrcode

扫描查看手机版网站